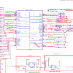
Hi Friends In this post, I have uploaded here HK.T.RT2936P638 Firmware All resolution files for free Download. Are you searching for this firmware? well, now you don’t need more searches. Because here are available all resolutions of HK.T.RT2936P638 firmware. Here are available the firmware resolution files HK.T.RT2936P638-1366×768-Haier, HK.T.RT2936P638-1366×768-TREEVIEW, HK-T-RT2936P638-ELENBERG-32DH4530 and more will be available soon. So guys download these files and install them easily via USB Disk Drive. Please don’t forget to share this post on Telegram, Whatsapp, and Facebook Groups and Pages.
You are on soft4led.com Website. We created this website for Technician friends. This website can help you in Repairing LCD/LED TVs, Laptops, Computers, Satellite Receivers, and more. We provide here BIN Files, Schematics/Circuit Digrams, All Types of Datasheets and Pinouts, LCD/LED TV Service Menu Codes, LED TV Board eMMC Pinouts, Scree Panel COF IC Daahseets, and many more things are available here for free download. If you want to download any file then please search on this site.

How to Update HK.T.RT2936P638 Firmware
You must have a USB Disk Drive to install the firmware in the HK.T.RT2936P638 Smart LED TV board. This software can be installed through USB Disk take any USB 2.0 or 3.0 and then download the file that you want to install or update in the smart motherboard. After downloading extract the file using WinRAR Software. So that you can get a bin file. Please follow these easy steps to install the firmware without any problem.
1- Download the firmware file according to your Screen panel and LED TV model.
2- After download, Extract the RAR file to get a BIN file
3- Now, Move the BIN file to the empty USB Disk and insert it into the board
4- Plugin the main power 220v and press and hold the power key
5- After some seconds, the Red light will blink from (red to green and again from green to red)
6- It may take some minutes, When the led light stops blinking, remove the USB Disk
7- If you have followed everything then the software is installed use your remote to power the led tv
HK.T.RT2936P638 Firmware Download
For now, it is easy to download files from this site, because now we have shifted a complete website to the Google Drive files hosting service. Please search for the exact resolution that is correct according to your LCD/LED Screen Panel. And then click on the download button, the button is available for every resolution that is available here. After that, you redirect to the other page, and now click on the download button again. The file should be started downloading. Please download HK.T.RT2936P638 Firmware/Software from the below table.
| Firmware File | Download |
|---|---|
| HK.T.RT2936P638-1366×768 | Download |
| HK.T.RT2936P638-1366×768-BOE Panel | Download |
| HK.T.RT2936P638-1366×768-Haier | Download |
| HK.T.RT2936P638-1366×768-TREEVIEW | Download |
| HK.T.RT2936P638-1920×1080 | Download |
| HK.T.RT2936P638-ELENBERG-32DH4530 | Download |

